
NOVO M.2 PCIE NVME SSD 256GB 512GB 1T 2T HG2283 mais HYNIX V7
M.2 2280 S2 NVME SSD HG2283 plus Hynix V7 1.ESPECIFICAÇÕES DO PRODUTO Capacidade − 128 GB, 256 GB, 512 GB, 1024 GB, 2048 GB − Suporte 32-modo de endereçamento de bits Interface elétrica/física − Interface PCIe − Compatível com NVMe 1.3 − PCIe Express Base Ver 3.1 − PCIe Gen 3 x 4 pistas e compatível com versões anteriores para...
M.2 2280 S2 NVME SSD HG2283 mais Hynix V7
1. ESPECIFICAÇÕES DO PRODUTO
Capacidade
- 128GB, 256GB, 512GB, 1024GB, 2048GB
− Compatível com 32-modo de endereçamento de bits
Interface Elétrica/Física
− Interface PCIe
− Compatível com NVMe 1.3
− PCIe Express Base Ver 3.1
− Pista PCIe Gen 3 x 4 e compatível com versões anteriores de PCIe Gen 2 e Gen 1
− Suporte até QD 128 com profundidade de fila de até 64K
- Suporta gerenciamento de energia
Flash NAND suportado
− Suporta até 16 Flash Chip Enables (CE) em um único design
- Suporta até 4pcs de flash BGA132
− Compatível com 8-bit I/O NAND Flash
− Suporte Toggle2.0, Toggle3.0, ONFI 2.3, ONFI 3.0, ONFI 3.2 e ONFI 4.0 interface
Samsung V6 3D NAND
Hynix V7 3D NAND
Esquema ECC
− HG2283 PCIe SSD aplica algoritmo LDPC de ECC.
Suporte de Tamanho do Setor
− 512B
− 4 KB
UART/GPIO
Suporta comandos SMART e TRIM
Faixa LBA
− padrão IDEMA
Desempenho
Desempenho de HG2283 mais Hynix V7 (1200 Mbps)
|
Capacidade |
Estrutura do Flash (Pacote BGA) |
CE # |
Tipo de flash |
Sequencial (CDM) |
IOMeter |
||
|
Leitura (MB/s) |
Gravação (MB/s) |
Ler (IOPS) |
Gravar (IOPS) |
||||
|
128 GB |
DDP x 1 |
2 |
BGA132, Hynix V7 |
1650 |
1100 |
195K |
260K |
|
256 GB |
DDP x 2 |
4 |
BGA132, Hynix V7 |
3100 |
1850 |
360K |
450K |
|
512 GB |
QDP x 2 |
8 |
BGA132, Hynix V7 |
3100 |
2090 |
360K |
475K |
|
1024 GB |
QDP x 4 |
16 |
BGA132, Hynix V7 |
3100 |
2200 |
360K |
480K |
|
2048 GB |
ODP x 4 |
16 |
BGA132, Hynix V7 |
3100 |
2200 |
360K |
480K |
NOTAS:
1. O desempenho foi baseado no flash Hynix V7 TLC NAND.
CONSUMO DE ENERGIA
|
Capacidade |
Configuração Flash (Pacote BGA) |
|
Consumo de energia3 |
|
|
|
Leitura (mW) |
Gravação (mW) |
PS3 (mW) |
PS4 (mW) |
||
|
128 GB |
DDP x 1 |
2940 |
2530 |
50 |
5 |
|
256 GB |
DDP x 2 |
4120 |
3400 |
50 |
5 |
|
512 GB |
QDP x 2 |
4090 |
3390 |
50 |
5 |
|
1024 GB |
QDP x 4 |
4050 |
3380 |
50 |
5 |
|
2048 GB |
ODP x 4 |
4440 |
3810 |
50 |
5 |
NOTAS:
1. Dados medidos com base em Hynix V7 512Gb mono die TLC Flash.
2. O consumo de energia é medido durante as operações sequenciais de leitura e gravação executadas pelo IOMeter.
Gerenciamento Flash
1.4.1. Código de correção de erro (ECC)
As células de memória flash se deterioram com o uso, o que pode gerar erros de bit aleatórios nos dados armazenados. Assim, HG2283 PCIe SSD aplica o LDPC (Low Density Parity Check) do algoritmo ECC, que pode detectar e corrigir erros ocorridos durante o processo de leitura, garantir que os dados sejam lidos corretamente, bem como proteger os dados contra corrupção.
1.4.2. Nivelamento de desgaste
Os dispositivos flash NAND só podem passar por um número limitado de ciclos de programa/apagamento, quando a mídia flash não é usada uniformemente, alguns blocos são atualizados com mais frequência do que outros e a vida útil do dispositivo seria reduzida significativamente. Assim, o nivelamento de desgaste é aplicado para prolongar a vida útil do flash NAND, distribuindo uniformemente os ciclos de gravação e apagamento pela mídia.
HosinGlobal fornece um algoritmo avançado de nivelamento de desgaste, que pode distribuir eficientemente o uso do flash por toda a área de mídia flash. Além disso, ao implementar algoritmos de nivelamento de desgaste dinâmicos e estáticos, a expectativa de vida do flash NAND é bastante aprimorada.
1.4.3. Gerenciamento de blocos inválidos
Blocos defeituosos são blocos que não funcionam corretamente ou contêm mais bits inválidos, causando instabilidade nos dados armazenados e sua confiabilidade não é garantida. Os blocos que são identificados e marcados como ruins pelo fabricante são referidos como "Early Bad Blocks". Os blocos defeituosos desenvolvidos durante a vida útil do flash são denominados "Blocos defeituosos posteriores". HosinGlobal implementa um algoritmo eficiente de gerenciamento de blocos defeituosos para detectar os blocos defeituosos produzidos na fábrica e gerencia os blocos defeituosos que aparecem com o uso. Essa prática evita que os dados sejam armazenados em blocos defeituosos e melhora ainda mais a confiabilidade dos dados.
1.4.4. APARAR
TRIM é um recurso que ajuda a melhorar o desempenho de leitura/gravação e a velocidade das unidades de estado sólido (SSD). Ao contrário das unidades de disco rígido (HDD), os SSDs não são capazes de sobrescrever os dados existentes, portanto, o espaço disponível torna-se gradualmente menor a cada uso. Com o comando TRIM, o sistema operacional pode informar o SSD para que os blocos de dados que não estão mais em uso possam ser removidos permanentemente. Assim, o SSD executará a ação de apagar, o que evita que dados não utilizados ocupem blocos a todo momento.
1.4.5. INTELIGENTE
SMART, um acrônimo para Self-Monitoring, Analysis and Reporting Technology, é um padrão aberto que permite que uma unidade de estado sólido detecte automaticamente sua integridade e relate possíveis falhas. Quando uma falha é registrada pela SMART, os usuários podem optar por substituir a unidade para evitar interrupções inesperadas ou perda de dados. Além disso, o SMART pode informar os usuários sobre falhas iminentes enquanto ainda há tempo para realizar ações proativas, como salvar dados em outro dispositivo.
1.4.6. Superprovisão
Over Provisioning refere-se à preservação de área adicional além da capacidade do usuário em um SSD, que não é visível para os usuários e não pode ser usado por eles. No entanto, permite que um controlador SSD utilize espaço adicional para melhor desempenho e WAF. Com o Over Provisioning, o desempenho e as IOPS (operações de entrada/saída por segundo) são aprimorados, fornecendo ao controlador espaço adicional para gerenciar os ciclos P/E, o que também aumenta a confiabilidade e a resistência. Além disso, a amplificação de gravação do SSD torna-se menor quando o
controlador grava dados no flash.
1.4.7. Atualização de firmware
O firmware pode ser considerado como um conjunto de instruções sobre como o dispositivo se comunica com o host. O firmware será atualizável quando novos recursos forem adicionados, problemas de compatibilidade forem corrigidos ou o desempenho de leitura/gravação for aprimorado.
1.4.8. Estrangulamento Térmico
O objetivo da limitação térmica é evitar que qualquer componente em um SSD superaqueça durante as operações de leitura e gravação. HG2283 é projetado com um sensor térmico on-die e com sua precisão; o firmware pode aplicar diferentes níveis de limitação para atingir o objetivo de proteção de forma eficiente e proativa por meio da leitura SMART.
1.5. Recursos avançados de segurança do dispositivo
1.5.1. Apagamento seguro
Secure Erase é um comando de formato NVMe padrão e gravará todos os "0x00" para limpar totalmente todos os dados em discos rígidos e SSDs. Quando esse comando é emitido, o controlador SSD apaga seus blocos de armazenamento e retorna às configurações padrão de fábrica.
1.5.2. Apagar criptografia
Crypto Erase é um recurso que apaga todos os dados de um SSD ativado por OPAL ou uma unidade "SED" (disco habilitado para segurança) redefinindo a chave criptográfica do disco. Uma vez que a chave é modificada, os dados previamente criptografados se tornarão inúteis, alcançando o objetivo de segurança dos dados.
1.5.3. Presença Física SID (PSID)
O SID de presença física (PSID) é definido pelo TCG OPAL como uma 32-sequência de caracteres e o objetivo é reverter o SSD de volta à sua configuração de fabricação quando a unidade ainda estiver ativada pelo OPAL. O código PSID pode ser impresso em uma etiqueta de SSD quando um SSD ativado por OPAL oferece suporte ao recurso de reversão de PSID.
1.6. Gerenciamento de vida útil do SSD
1.6.1. Terabytes escritos (TBW)
TBW (Terabytes Escrito) é uma medida da vida útil esperada dos SSDs, que representa a quantidade de dados
escrito no dispositivo. Para calcular o TBW de um SSD, a seguinte equação é aplicada:
TBW = [(Resistência NAND) x (Capacidade SSD)] / [WAF]
Resistência NAND: A resistência NAND refere-se ao ciclo P/E (Programar/Apagar) de um flash NAND.
Capacidade SSD: A capacidade do SSD é a capacidade específica total de um SSD.
WAF: Write Amplification Factor (WAF) é um valor numérico que representa a proporção entre a quantidade de dados que um controlador SSD precisa gravar e a quantidade de dados que o controlador flash do host grava. Um WAF melhor, próximo de 1, garante melhor resistência e menor frequência de dados gravados na memória flash.
O TBW neste documento é baseado na carga de trabalho JEDEC 218/219.
1.6.2. Indicador de desgaste da mídia
Indicador de vida real relatado pelo índice de bytes de atributo SMART [5], Porcentagem usada, recomenda que o usuário substitua a unidade ao atingir 100 por cento.
1.6.3. Modo somente leitura (fim da vida útil)
Quando a unidade envelhece por ciclos acumulados de programa/apagamento, o desgaste da mídia pode causar um número crescente de blocos defeituosos posteriores. Quando o número de blocos válidos utilizáveis fica fora de um intervalo utilizável definido, a unidade notificará o host por meio do evento AER e do aviso crítico para entrar no modo somente leitura para evitar mais corrupção de dados. O usuário deve começar a substituir a unidade por outra imediatamente.
1.7. Abordagem adaptativa para ajuste de desempenho
1.7.1. Taxa de transferência
Com base no espaço disponível no disco, o HG2283 regulará a velocidade de leitura/gravação e gerenciará o desempenho da taxa de transferência. Quando ainda houver muito espaço, o firmware executará continuamente a ação de leitura/gravação. Ainda não há necessidade de implementar coleta de lixo para alocar e liberar memória, o que acelerará o processamento de leitura/gravação para melhorar o desempenho. Ao contrário, quando o espaço for esgotado, o HG2283 desacelerará o processamento de leitura/gravação e implementará a coleta de lixo para liberar memória. Portanto, o desempenho de leitura/gravação ficará mais lento.
1.7.2. Prever e buscar
Normalmente, quando o host tenta ler dados do SSD PCIe, o SSD PCIe executa apenas uma ação de leitura após receber um comando. No entanto, HG2283 aplica Predict & Fetch para melhorar a velocidade de leitura. Quando o host emite comandos de leitura sequencial para o SSD PCIe, o SSD PCIe espera automaticamente que os seguintes também sejam comandos de leitura. Assim, antes de receber o próximo comando, o flash já preparou os dados. Consequentemente, isso acelera o tempo de processamento de dados e o host não precisa esperar tanto para receber os dados.
1.7.3. Cache SLC
O design do firmware do HG2283 atualmente adota cache dinâmico para oferecer melhor desempenho para melhor resistência e experiência do usuário do consumidor.
3.1. Condições Ambientais 3.1.1. Temperatura e Umidade
Tabela 3-1 Alta Temperatura
|
|
Temperatura |
Umidade |
|
Operação |
70 graus |
0 por cento de UR |
|
Armazenar |
85 graus |
0 por cento de UR |
Tabela 3-2 Baixa temperatura
|
|
Temperatura |
Umidade |
|
Operação |
0 grau |
0 por cento de UR |
|
Armazenar |
-40 grau |
0 por cento de UR |
Tabela 3-3 Alta Umidade
|
|
Temperatura |
Umidade |
|
Operação |
40 graus |
90% UR |
|
Armazenar |
40 graus |
93% UR |
Tabela 3-4 Ciclagem de temperatura
|
|
Temperatura |
|
Operação |
0 grau |
|
70 graus1 |
|
|
Armazenar |
-40 grau |
|
85 graus |
Notas:
1. A temperatura de operação é medida pela temperatura do gabinete, que pode ser decidida por meio do SMART Airflow e permitirá que o dispositivo seja operado na temperatura apropriada para cada componente durante ambientes de cargas de trabalho pesadas.
3.1.2. Choque
Tabela 3-5 Choque
|
|
Força de Aceleração |
|
Não operacional |
1500G |
3.1.3. Vibração
Tabela 3-6 Vibração
|
|
Cond |
ição |
|
Frequência/Deslocamento |
Frequência/Aceleração |
|
|
Não operacional |
20Hz~80Hz/1,52mm |
80Hz~2000Hz/20G |
3.1.4. Derrubar
Mesa 3-7 Drop
|
|
|
Altura de Queda |
|
|
Número de queda |
|
Não operacional |
|
80 cm de queda livre |
|
|
6 faces de cada unidade |
|
3.1.5. Flexão |
Mesa 3-8 Flexão |
|
|
||
|
|
|
Força |
|
|
Ação |
|
Não operacional |
|
Maior ou igual a 20N |
|
|
Segure 1min/5 vezes |
|
3.1.6. Torque |
Tabela 3-9 Torque |
|
|
||
|
|
|
Força |
|
|
Ação |
|
Não operacional |
|
0,5N-m ou ±2,5 graus |
|
|
Segure 1min/5 vezes |
|
3.1.7. Descarga Eletrostática (ESD) |
Tabela 3-10 ESD |
|
|
||
|
Especificação |
|
|
mais /- 4KV |
|
|
|
EN 55024, CISPR 24 EN 61000-4-2 e IEC 61000-4-2 |
As funções do dispositivo são afetadas, mas o EUT voltará ao seu estado normal ou operacional automaticamente. |
||||
4. ESPECIFICAÇÕES ELÉTRICAS
4.1. Tensão de alimentação
Tabela 4-1 Tensão de alimentação
|
Parâmetro |
Avaliação |
|
Tensão operacional |
Mín.=3,14 V Máx.=3,47 V |
|
Tempo de subida (Máx/Mín) |
10 ms / 0,1 ms |
|
Tempo de queda (Máx./Mín.) |
1500 ms / 1 ms |
|
mín. Tempo de folga1 |
1500ms |
OBSERVAÇÃO:
1. Tempo mínimo entre a energia removida do SSD (Vcc < 100 mV) e a energia reaplicada ao inversor.
4.2. Consumo de energia
Tabela 4-2 Consumo de energia em mW
|
Capacidade |
Configuração Flash |
CE # |
Ler (Máx.) |
Escreva (Máx.) |
Ler (Média) |
Escrever (Média) |
|
128 GB |
DDP x 1 |
2 |
3200 |
2930 |
2940 |
2530 |
|
256 GB |
DDP x 2 |
4 |
4650 |
4560 |
4120 |
3400 |
|
512 GB |
QDP x 2 |
8 |
5260 |
4190 |
4090 |
3390 |
|
1024 GB |
QDP x 4 |
16 |
5350 |
6070 |
4050 |
3380 |
|
2048 GB |
ODP x 4 |
16 |
6320 |
6650 |
4440 |
3810 |
NOTAS:
Baseado na série APF1Mxxx sob temperatura ambiente.
O valor médio do consumo de energia é obtido com base em 100% de eficiência de conversão.
A tensão de alimentação medida é de 3,3 V.
A temperatura de um dispositivo de armazenamento no PS1 deve permanecer constante ou deve diminuir ligeiramente para todas as cargas de trabalho, portanto, a potência real no PS1 deve ser menor do que no PS0.
A temperatura de um dispositivo de armazenamento no PS2 deve diminuir acentuadamente para todas as cargas de trabalho, portanto, a potência real no PS2 deve ser menor do que no PS1.
5. INTERFACE
5.1. Atribuição e descrições de pinos
A tabela {{0}} define a atribuição de sinal do conector NGFF interno para uso de SSD, descrita na Especificação PCI Express M.2 versão 1.0 do PCI-SIG.
Tabela 5-1 Atribuição de pinos e descrição do HG2283 M.2 2280
|
Número do pino |
Pino PCIe |
Descrição |
|
1 |
GND |
CONFIG_3=GND |
|
2 |
3.3V |
fonte de 3,3V |
|
3 |
GND |
Chão |
|
4 |
3.3V |
fonte de 3,3V |
|
5 |
PETn3 |
PCIe TX Sinal diferencial definido pela especificação PCI Express M.2 |
|
6 |
N/C |
Sem conexão |
|
7 |
PETp3 |
PCIe TX Sinal diferencial definido pela especificação PCI Express M.2 |
|
8 |
N/C |
Sem conexão |
|
9 |
GND |
Chão |
|
10 |
LED1# |
Dreno aberto, sinal baixo ativo. Esses sinais são usados para permitir que o cartão adicional forneça indicadores de status por meio de dispositivos de LED que serão fornecidos pelo sistema. |
|
11 |
PERn3 |
PCIe RX Sinal diferencial definido pela especificação PCI Express M.2 |
|
12 |
3.3V |
fonte de 3,3V |
|
13 |
PERp3 |
PCIe RX Sinal diferencial definido pela especificação PCI Express M.2 |
|
14 |
3.3V |
fonte de 3,3V |
|
15 |
GND |
Chão |
|
16 |
3.3V |
fonte de 3,3V |
|
17 |
PETn2 |
PCIe TX Sinal diferencial definido pela especificação PCI Express M.2 |
|
18 |
3.3V |
fonte de 3,3V |
|
19 |
PETp2 |
PCIe TX Sinal diferencial definido pela especificação PCI Express M.2 |
|
20 |
N/C |
Sem conexão |
|
21 |
GND |
Chão |
|
22 |
N/C |
Sem conexão |
|
23 |
PERn2 |
PCIe RX Sinal diferencial definido pela especificação PCI Express M.2 |
|
24 |
N/C |
Sem conexão |
|
25 |
PERp2 |
PCIe RX Sinal diferencial definido pela especificação PCI Express M.2 |
|
26 |
N/C |
Sem conexão |
|
27 |
GND |
Chão |
|
28 |
N/C |
Sem conexão |
|
29 |
PETn1 |
PCIe TX Sinal diferencial definido pela especificação PCI Express M.2 |
|
30 |
N/C |
Sem conexão |
|
31 |
PETp1 |
PCIe TX Sinal diferencial definido pela especificação PCI Express M.2 |
|
32 |
GND |
Chão |
|
33 |
GND |
Chão |
|
34 |
N/C |
Sem conexão |
|
35 |
PERn1 |
PCIe RX Sinal diferencial definido pela especificação PCI Express M.2 |
|
36 |
N/C |
Sem conexão |
|
37 |
PERp1 |
PCIe RX Sinal diferencial definido pela especificação PCI Express M.2 |
|
Número do pino |
Pino PCIe |
Descrição |
|
38 N/C |
Sem conexão |
|
|
39 GND |
Chão |
|
|
40 SMB_CLK (E/S)(0/1,8V) |
Relógio SMBus; Dreno aberto com pull-up na plataforma |
|
|
41 |
PETn0 |
PCIe TX Sinal diferencial definido pela especificação PCI Express M.2 |
|
42 |
SMB{{0}}DADOS (E/S)(0/1,8V) |
Dados SMBus; Dreno aberto com pull-up na plataforma. |
|
43 |
PETp0 |
PCIe TX Sinal diferencial definido pela especificação PCI Express M.2 |
|
44 |
ALERTA#(O) (0/1,8V) |
Notificação de alerta ao mestre; Dreno aberto com pull-up na plataforma; Baixo ativo. |
|
45 |
GND |
Chão |
|
46 |
N/C |
Sem conexão |
|
47 |
PERn0 |
PCIe RX Sinal diferencial definido pela especificação PCI Express M.2 |
|
48 |
N/C |
Sem conexão |
|
49 |
PERp0 |
PCIe RX Sinal diferencial definido pela especificação PCI Express M.2 |
|
50 |
PERST#(I)(0/3,3V) |
PE-Reset é uma redefinição funcional para a placa, conforme definido pela especificação PCIe Mini CEM. |
|
51 |
GND |
Chão |
|
52 |
CLKREQ#(I/O)(0/3.3V) |
A solicitação de relógio é um sinal de solicitação de relógio de referência conforme definido pela especificação PCIe Mini CEM; Também usado pelos subestados L1 PM. |
|
53 |
REFCLKn |
Sinais de relógio de referência PCIe (100 MHz) definidos pela especificação PCI Express M.2. |
|
54 |
PEWAKE#(I/O)(0/3.3V) |
PCIe PME Wake. Dreno aberto com pull up na plataforma; Baixo Ativo. |
|
55 |
REFCLKp |
Sinais de relógio de referência PCIe (100 MHz) definidos pela especificação PCI Express M.2. |
|
56 |
Reservado para DADOS MFG |
Linha de dados de fabricação. Usado apenas para fabricação de SSD. Não usado em operação normal. Os pinos devem ser deixados N/C no soquete da plataforma. |
|
57 |
GND |
Chão |
|
58 |
Reservado para MFG CLOCK |
Fabricação da linha Relógio. Usado apenas para fabricação de SSD. Não usado em operação normal. Os pinos devem ser deixados N/C no soquete da plataforma. |
|
59 |
Módulo Chave M |
Chave do módulo |
|
60 |
Módulo Chave M |
|
|
61 |
Módulo Chave M |
|
|
62 |
Módulo Chave M |
|
|
63 |
Módulo Chave M |
|
|
64 |
Módulo Chave M |
|
|
65 |
Módulo Chave M |
|
|
66 |
Módulo Chave M |
|
|
67 |
N/C |
Sem conexão |
|
68 |
SUSCLK(32KHz) (I)(0/3.3V) |
Entrada de alimentação de clock de 32,768 kHz fornecida pelo chipset da plataforma para reduzir a energia e o custo do módulo. |
|
69 |
NC |
CONFIG_1=Sem conexão |
|
70 |
3.3V |
fonte de 3,3V |
|
71 |
GND |
Chão |
|
72 |
3.3V |
fonte de 3,3V |
|
73 |
GND |
Chão |
|
74 |
3.3V |
fonte de 3,3V |
|
75 |
GND |
CONFIG_2=Chão |
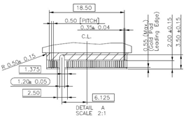
Fator de forma: M.2 2280 S2
Dimensões: 80,00mm (C) x 22,{3}}mm (L) x 2,15mm (A)
|
Ver Direção |
Diagrama |
|
Principal |
![]()
|
|
Fundo |
|
|
Ver Direção |
Diagrama |
|
Lado |
|
|
|
|

Figura 7-1 Diagrama Mecânico e Dimensões do Produto
8. NOTAS DE APLICAÇÃO
8.1. Precauções de manuseio da embalagem de escala de chip de nível de wafer (WLCSP)
Existem muitos componentes montados em um único dispositivo SSD. Manuseie a unidade com cuidado, especialmente quando ela tiver componentes WLCSP (Wafer Level Chip Scale Packaging), como PMIC, sensor térmico ou chave de carga. WLCSP é uma das tecnologias de embalagem que é amplamente adotada para fazer pegadas menores, mas qualquer solavanco ou arranhão pode danificar essas peças ultrapequenas, portanto, o manuseio cuidadoso é altamente recomendado.
NÃO DEIXE O SSD
INSTALE O SSD COM CUIDADO
RASGUE O SSD EM UMA EMBALAGEM ADEQUADA
8.2. Precauções de montagem do M Key M.2 SSD
O SSD M Key M.2 (Figura 1) é compatível apenas com o soquete M Key (Figura 2). Conforme mostrado no Caso de uso 2, o uso indevido pode causar danos graves ao SSD, incluindo queima.
Figura 8-1 Chave M M.2 Precauções de montagem

Tag: NOVO M.2 PCIE NVME SSD 256GB 512GB 1T 2T HG2283 mais HYNIX V7, China NOVO M.2 PCIE NVME SSD 256GB 512GB 1T 2T HG2283 mais HYNIX V7
Enviar inquérito
















